您好,欢迎来到江南APP体育(中国)有限责任公司官网官方网站! 我们是专注从事精密惯性导航测试设备的制造商
官方手网
丨
在线留言
服务咨询热线 / 欢迎来电垂询
18770292826
网站首页
公司简介
新闻资讯
产品展示
转台系列
温箱系列
金属多面体系列
人才招聘
在线留言
联系我们
当前位置:
首页
»
新闻中心
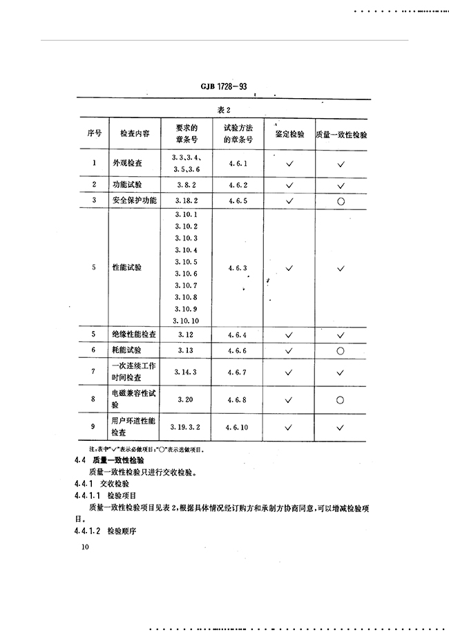
GJB_1728-93_速率转台通用规范
$arr['dateline']
上一张:中华人民共和国国家军用标准GJB1728A-2019 速率转台通用规范
下一张:静压轴承对数控转台的作用
开云在线登录(中国)官方网站
|
火狐(中国)官方网站-登录入口
|
开云官方在线入口
|
开云官方下载开云app-开云(中国)
|
华体平台
|
开云官方下载开云app-开云(中国)
|
开云最新版本app下载-开云(中国)
|
华体平台
|
开云app登录入口
|